Choď na obsah
Choď na menu
Reproduktory a reproduktorové sústavy TESLA
Menu
Úvod
Reproduktorové sústavy TESLA
TESLA Valašské Meziříčí
TESLA Bratislava
TESLA Litovel
ČSHN Hradec Králové
Články
Širokopásmové reproduktory TESLA
Hlbokotónové reproduktory TESLA
Vysokotónové reproduktory TESLA
Opravy
Oprava nefunkčného ARO 835
Oprava veľkého ARZ
Oprava ARO 687
Tuning ARZ 4604 - aktualizácia 2022
Oprava grafickej karty ZOTAC
Oprava malého ARZ
Oprava malých ARO
ARN 6614 do dvojpásma? S trochou snahy áno...
Stereofónny tuner Tesla ST-100
Záchrana DIXI
Tesla MUSIC 30 STEREO
Stavby
Katalógy, dokumenty, návody
Hmmm, zaumýjavé...
Kontakt
Keď ide do tuhého... a niekedy aj nie.
Úvod
»
Fotoalbum
»
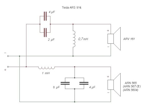
A_914
»
09 schema
A_914
09 schema
«
»
← Predchádzajúce
Ďalšie →
Naspäť do zložky
Automatické prechádzanie:
3
|
4
|
5
|
6
|
7
(čas v sekundách)
Vyhľadávanie
Archív
Kalendár
<<
apríl /
2026
>>
Štatistiky
Online:
12
Celkom:
827983
Mesiac:
14835
Deň:
1844